ZW系列振动电机
可以为您提供更好的产品,让您买的放心用的也放心
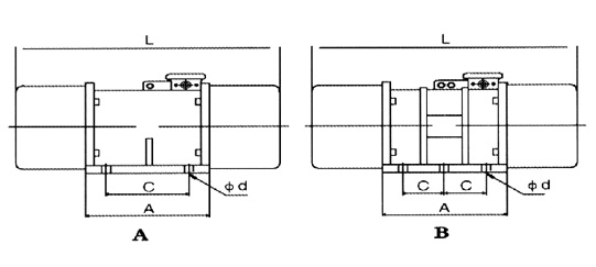
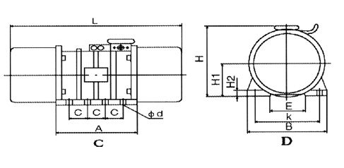
附着式振动电机又称平板式振动器,由于机械所产生的振动作用,用途较广泛,附着式振动电机可用于建筑工程中的混凝土的密实,附着式振动电机还可用于除尘振打,化工矿矿山工程,机械配套作为振源.如振动筛、振动台等.并可装于各种振动设备上作为发生振动的机械。ZW振动电机使用特点:
服务支持
定制方案
免费到厂考察 免费获取报价!
联系购买
0373-2632812
产品介绍
附着式振动电机又称平板式振动器,由于机械所产生的振动作用,用途较广泛,附着式振动电机可用于建筑工程中的混凝土的密实,附着式振动电机还可用于除尘振打,化工矿矿山工程,机械配套作为振源.如振动筛、振动台等.并可装于各种振动设备上作为发生振动的机械。


ZW振动电机使用特点:
1、结构简单、维修方便、振动平稳、噪音低。
2、激振力可以非常简单的进行无级调节。
3、可单台或多台使用,完成各种作业要求。
4、规格齐全、形式多样,可满足各种振动机械的工作需要。
5、全封闭结构,可在各粉尘(无防爆要求)、潮湿等恶劣环境下可靠工作。
6、经特殊设计可用于不同的电压、频率、绝缘和防护等级。
ZW振动电机技术参数:
1、绝缘等级:B/F
2、防护等级IP55
3、电源电压:220/380v/420
4、电源频率:50Hz
5、相级:3相
6、工作方式:连续
ZW振动电机应用行业:
ZW振动电机产品己广泛用于矿山、冶金、铸造、电力、建材、化工、粮食、医药等行业,是各类振动输送、筛分、干燥、光饰、粉磨、破碎设备的理想动力源。



服务优势
01
源头厂家
公司1986年创业至今,规模不断扩大,现拥有百名员工,厂房占地近9000多平方米,并已建立完善的科研和售后服务队伍的行业知名企业。
02
管理完善
公司拥有完善的生产流水线。依靠制作工艺,完善的检测手段,科学的管理体系,良好的企业信誉,赢得了广大新老用户的好评和赞誉。
03
技术创新
设备一体化的生产道路。根据振动电机的性能和特点,设计出更合理的使用方式。产品广泛适用于食品、化工、医药、矿山、陶瓷、塑料等众多行业。
公司优势
01
实力厂家 值得信赖
在国内振动电机行业中有强有力的竞争力
公司1986年创业至今,规模不断扩大,由一个名不见经转的小厂,如今已是拥有百名员工,厂房占地近9000多平方米,并已建立完善的科研和售后服务队伍的行业知名企业。
02
技术研发 创新服务
在国内振动电机行业中有强有力的竞争力
秉持"标准化•精细化•零缺陷"的质量理念和"专注•专心"的服务理念,借鉴学习国内外技术,致力于为客户提供筛分及输送施工项目解决方案。
03
品质管控 质量保证
在国内振动电机行业中有强有力的竞争力
拥有国内的数控折弯机、剪板机、切割机、交直流电焊机、冲床、钻床等大型机械加工及冲压铆焊加工设备,并且拥有计算机、振动参数测试台等专业的设计及检测设备。
04
服务保障 售后完善
在国内振动电机行业中有强有力的竞争力
技术人员考察现场,为用户配置合适的方案,技术人员上门进行安装指导,并培训设备操作技巧,售后服务团队定期回访,讲解设备使用过程中的维护和保养方法,减少设备停机风险。